交流充電樁在使用前,需要做一系列測試(交流輸入特性、訊號輸出特性、時序和瞬時特性、保護功能等)。直流充電設備輸出電壓較高,功率較大,屬于快速充電,直接對電動車內的動力電池充電。因此充電樁和直流充電機的測試尤其重要。
大街上可以看到形形色色的充電樁,充電樁只是充電站電氣系統的一部分。完整的充電站電氣系統包括供電系統、充電系統、監控系統三大部分。
供電系統主要為充電設備提供電源,主要由一次設備(開關、變壓器、線路等)和二次設備(包括檢測、保護、控制裝置等)組成,專門配備有源濾波裝置消除諧波,穩定電網。
充電設備是整個充電站電氣系統的核心部分,一般分直流充電裝置和交流充電裝置(樁),直流充電裝置,即非車載充電機,實現電池快速充電功能。交流充電樁主要提供車輛慢充的功能,輸出為交流電,連接車載充電器。
充電監控系統由一臺或多臺工作站或服務器組成,可以包括監控工作站、數據服務器等,這些計算機通過網絡聯結。監控工作站提供充電監控人機交互界面,實現充電機的監控和數據收集、查詢等工作;數據服務器存儲整個充電系統的原始數據和統計分析數據等,提供數據服務及其他應用服務。
供電系統標準要求
a.供電電源要求
充電站應采用10(20)KV電壓等級供電;
交流充電樁應采用380V或220V電壓等級供電;
直流充電樁應采用380V電壓等級供電。
b.電能質量要求
供電電源電壓偏差應符合,10(20)KV以及以下三相供電的電壓偏差不得超過標稱電壓的±7。220V單相供電的電壓偏差不得超過標稱電壓的+7%、-10%;頻率偏差不得超過±0.2Hz;
公共電網諧波電壓的限值要求10(20)KV三相電壓總諧波畸變率小于5%、380V三相電壓總諧波畸變率小于4%;
保證最大負荷運行時變壓器10(20)KV側功率因數不低于0.95。
c.電氣計量要求
需要測量和計量能效的部分包括:變壓器高低壓側進線、充電機回路、充電樁供電回路。準確度要求應負荷GB/T 50063-2008和DL/T 5137-2008的規定。
交流充電樁原理
交流充電樁電氣系統如圖 2所示,主回路由輸入保護斷路器、交流智能電能表、交流控制接觸器和充電接口連接器組成;二次回路由控制繼電器、急停按鈕、運行狀態指示燈、充電樁智能控制器和人機交互設備(顯示、輸入、刷卡)組成。
直流充電樁原理
直流充電樁電氣系統三相電網輸入交流電,經過三相橋式不可控整流電路整流變成直流電,濾波后提供給高頻DC-DC功率變換器,功率變換器經過直直變換輸出需要的直流,再次濾波后為純電動汽車動力蓄電池充電。

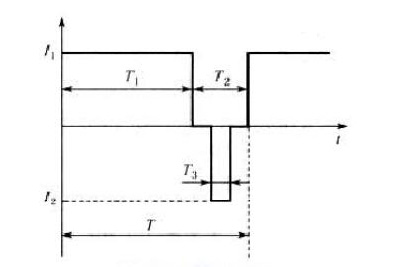
新型的直流充電樁采用快速充電法,該系統區別于傳統充電器所采用的連續電流充電和脈沖電流充電方式,采用了智能化的變脈沖充電方式,即采用下圖所示的充電電流脈沖,包括充電脈沖T1間歇脈沖T2以及放電脈沖T3。通過間歇停充,使蓄電池經化學反應產生的氧氣和氫氣有時間重新化合而被吸收掉,使下一輪的恒流充電能夠更加順利地進行,使蓄電池可以吸收更多的電量。
標準式交流電源APA1000系列和
智能式交流電源APA2000系列電源,可以完全保障交流充電樁的可靠性測試,并且可以通過RS232或者RS485接口和電腦連接,自行編輯測試程序進行自動測試,自動記錄測試數據,更好地進行研發和制造。
標準式直流電源APD1000系列和
智能式直流電源APD2000系列電源,可以完全保障直流充電機的可靠性測試,并且可以通過RS232或者RS485接口和電腦連接,自行編輯測試程序進行自動測試,自動記錄測試數據,更好地進行研發和制造。